- Технические характеристики и другая информация предоставляются для справки.
- Чертежи и изображения представлены для ознакомления
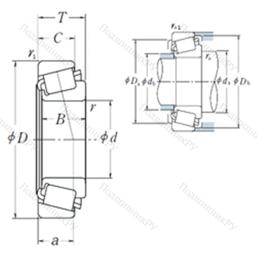
Подшипник роликовый радиально-упорный 436/432A
Подшипник роликовый радиально-упорный 436/432A у которого конструкционной особенностью являются ролики в форме конуса и разъемный корпус. Изделие также может быть укомплектовано наружным кольцом с упорным бортиком или большим углом, двухрядными или четырехрядными роликоподшипниками, утолщенной внешней шиной.
Какие свойства характерны для Подшипник роликовый радиально-упорный 436/432A?
- Установленные тела качения позволяют воспринимать одновременно односторонние осевые и аксиальные нагрузки, которые находятся в обратно пропорциональной зависимости друг от друга. Чем больше угол контакта, тем выше максимальная возможность восприятия воздействий по оси, и наоборот.
- Составные части детали можно разбирать и собирать по собственному усмотрению, что упрощает их демонтаж и замену при необходимости.
- Деталь отличается повышенной износостойкостью и долговечностью, может использоваться в широком рабочем диапазоне температур, стойко противостоит коррозиям и механическим повреждениям.
- Активно эксплуатируется в машиностроительной, пищевой, медицинской, сельскохозяйственной промышленности.
Ищете качественную продукцию компаний FAG, KOYO, NSK, SKF, SNR? У нас вы можете приобрести Подшипник роликовый радиально-упорный 436/432A ГОСТ или его (аналог ISO) и другие конструкции по умеренной стоимости!
Технические характеристики
Обозначение : 436/432A
Размеры, мм : 46.038x95.25x27.783
Производитель : NSK
Диаметр внутренний, мм : 46,038
Диаметр наружный, мм : 95,25
Высота, мм : 27,783
Технические данные из каталога производителя :
Внутренний диаметр (d) - 46,038 мм.
Наружный диаметр (D) - 95,25 мм.
Ширина рабочая (T) - 27,783 мм.
Ширина (высота) (B) - 29,901 мм.
Ширина наружной обоймы (C) - 22,225 мм.
Размер сопряженных деталей (ra1 max.) - 0,8
Размер (a) - 18,6 мм.
Размер (r min.) - 3,5 мм.
Размер (r1 min.) - 0,8 мм.
Размер сопряженных деталей (Da) - 84
Размер сопряженных деталей (db) - 52
Размер сопряженных деталей (ra max.) - 3,5
Размер сопряженных деталей (da) - 59
Размер сопряженных деталей (Db) - 87
Масса - 0,917 Кг
Грузоподъемность динамическая (C) - 106 кН
Грузоподъемность статическая (C0) - 126 кН
Частота вращения предельная при пластичной смазке - 4300 об/мин
Частота вращения предельная при жидкой смазке - 5600 об/мин
Расчетный коэффициент (e) - 0,28
Расчетный коэффициент (Y0) - 1,2
Расчетный коэффициент (Y1) - 2,1
Количество дорожек качения - 1
Уплотнение - Нет
|
Производитель
|
NSK |
|
Ширина B
|
27 |
|
Внешний диаметр D
|
95 |
|
Внутренний диаметр d
|
46 |
|
Размер
|
46x95x27 |
|
Вес, кг
|
0.917 |
|
Модель
|
436-432A-NSK |
|
SKU
|
436-432A-NSK |
Похожие по размеру
Оформить заказ на нашем сайте легко. Просто добавьте выбранные товары в корзину, а затем перейдите на страницу Корзина, проверьте правильность заказанных позиций и нажмите кнопку «Оформить заказ» или «Быстрый заказ».
Функция «Быстрый заказ» позволяет покупателю не проходить всю процедуру оформления заказа самостоятельно. Вы заполняете форму, и через короткое время вам перезвонит менеджер магазина. Он уточнит все условия заказа, ответит на вопросы, касающиеся качества товара, его особенностей. А также подскажет о вариантах оплаты и доставки.
По результатам звонка, пользователь либо, получив уточнения, самостоятельно оформляет заказ, укомплектовав его необходимыми позициями, либо соглашается на оформление в том виде, в котором есть сейчас. Получает подтверждение на почту или на мобильный телефон и ждёт доставки.
Если вы уверены в выборе, то можете самостоятельно оформить заказ, заполнив по этапам всю форму.
Выберите из списка название вашего региона и населённого пункта. Если вы не нашли свой населённый пункт в списке, выберите значение «Другое местоположение» и впишите название своего населённого пункта в графу «Город». Введите правильный индекс.
В зависимости от места жительства вам предложат варианты доставки. Выберите любой удобный способ.
Оплата
Выберите оптимальный способ оплаты.
Введите данные о себе: ФИО, адрес доставки, номер телефона. В поле «Комментарии к заказу» введите сведения, которые могут пригодиться курьеру, например: подъезды в доме считаются справа налево.
Проверьте правильность ввода информации: позиции заказа, выбор местоположения, данные о покупателе. Нажмите кнопку «Оформить заказ».
Наш сервис запоминает данные о пользователе, информацию о заказе и в следующий раз предложит вам повторить к вводу данные предыдущего заказа. Если условия вам не подходят, выбирайте другие варианты.

