- Технические характеристики и другая информация предоставляются для справки.
 - Чертежи и изображения представлены для ознакомления
 
Подшипник шариковый радиально-упорный 7203-B-JP
Конструктивным отличием в серии Подшипник шариковый радиально-упорный 7203-B-JP является особое расположение и строение дорожек качения, что позволяют передавать нагрузки между ними под меняющимся углом контакта. Система включает в себя наружную и внутреннюю шины с телами качения между ними. Устройство может иметь разборные, неразборные или съемные обоймы, скосы на шинах, оснащаться трех - или четырехточечными контактами. Существуют варианты с углами от 12 до 60 градусов.
Чем выделяется Подшипник шариковый радиально-упорный 7203-B-JP?
- Изготавливается согласно нормам стандартов ГОСТ 831-75, 8995-75, международным и европейским производственным нормативам ИСО.
 - При увеличении контактного угла устройство дает возможность перераспределять прилагаемые рабочие осевые нагрузки в аксиальном направлении и тем самым снижать давление, оказываемое на шарикоподшипники. Соответственно, при уменьшении данного показателя осесимметричный вектор приложения сил падает, а воздействие по оси растет.
 - Воспринимает только односторонние усилия. Для двусторонних требуется установка парных устройств или двухрядных аналогов.
 - Съёмное внутреннее кольцо, являющееся монолитной или разборной деталью (2 части);
 - 1 или 2 ряда тел качения, что позволяет воспринимать однонаправленные или двухсторонние осевые нагрузки;
 - Соотношение радиальной и осевой нагрузки меняется в зависимости от величины контактного угла. При его уменьшении повышается допустимая аксиальная нагрузка;
 - Тип с повышенными эксплуатационными параметрами (прецизионный) используется в высокоточном оборудовании;
 - Возможность упрощённого монтажа в ограниченном пространстве.
 
Сегодня вы можете заказать с доставкой Подшипник шариковый радиально-упорный 7203-B-JP ГОСТ или (аналог ISO) или иные модели от FAG, KOYO, NSK, SKF, SNR по скромной стоимости в нашем онлайн-магазине!
Технические характеристики
Обозначение : 7203-B-JP
Размеры, мм : 17 x40 x12
Производитель : FAG
Диаметр внутренний, мм : 17
Диаметр наружный, мм : 40
Высота, мм : 12
Технические данные из каталога производителя :
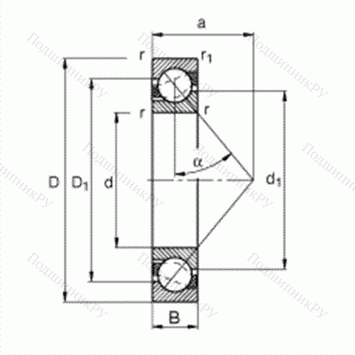
d - 17 mm
D - 40 mm
B - 12 mm
a - 18 mm
D1 - 31,5 mm
Da max - 35,8 mm
Db max - 37,6 mm
d1 - 26 mm
da min - 21,2 mm
r1 min - 0,6 mm
ra max - 0,6 mm
ra1 max - 0,6 mm
rmin - 0,6 mm
? - 40 ° / Угол контакта
m - 0,067 kg / Вес
Cr - 10500 N / динамическая грузоподъемность, радиальная
C0r - 5700 N / статическая грузоподъемность, радиальная
nG - 23400 1/min / Предельная частота вращения
nB - 17100 1/min / Базовая тепловая частота вращения
Cur - 380 N / Нагрузка предела усталости, радиальная
Основные размеры по DIN 628-1, угол контакта ? = 40°
| 
																														 
																Производитель
															 
														 | 
														FAG | 
| 
																														 
																Ширина B
															 
														 | 
														12 | 
| 
																														 
																Внешний диаметр D
															 
														 | 
														40 | 
| 
																														 
																Внутренний диаметр d
															 
														 | 
														17 | 
| 
																														 
																Размер
															 
														 | 
														17x40x12 | 
| 
																														 
																Вес, кг
															 
														 | 
														0.067 | 
| 
																														 
																Модель
															 
														 | 
														7203-B-JP-FAG | 
| 
																														 
																SKU
															 
														 | 
														7203-B-JP-FAG | 
Похожие по размеру
Оформить заказ на нашем сайте легко. Просто добавьте выбранные товары в корзину, а затем перейдите на страницу Корзина, проверьте правильность заказанных позиций и нажмите кнопку «Оформить заказ» или «Быстрый заказ».
Функция «Быстрый заказ» позволяет покупателю не проходить всю процедуру оформления заказа самостоятельно. Вы заполняете форму, и через короткое время вам перезвонит менеджер магазина. Он уточнит все условия заказа, ответит на вопросы, касающиеся качества товара, его особенностей. А также подскажет о вариантах оплаты и доставки.
По результатам звонка, пользователь либо, получив уточнения, самостоятельно оформляет заказ, укомплектовав его необходимыми позициями, либо соглашается на оформление в том виде, в котором есть сейчас. Получает подтверждение на почту или на мобильный телефон и ждёт доставки.
Если вы уверены в выборе, то можете самостоятельно оформить заказ, заполнив по этапам всю форму.
Выберите из списка название вашего региона и населённого пункта. Если вы не нашли свой населённый пункт в списке, выберите значение «Другое местоположение» и впишите название своего населённого пункта в графу «Город». Введите правильный индекс.
	 В зависимости от места жительства вам предложат варианты доставки. Выберите любой удобный способ. 
	
	Оплата
Выберите оптимальный способ оплаты.
Введите данные о себе: ФИО, адрес доставки, номер телефона. В поле «Комментарии к заказу» введите сведения, которые могут пригодиться курьеру, например: подъезды в доме считаются справа налево.
Проверьте правильность ввода информации: позиции заказа, выбор местоположения, данные о покупателе. Нажмите кнопку «Оформить заказ».
Наш сервис запоминает данные о пользователе, информацию о заказе и в следующий раз предложит вам повторить к вводу данные предыдущего заказа. Если условия вам не подходят, выбирайте другие варианты.

                                            
                                        